Manhole cover plugs

Manhole cover plugs

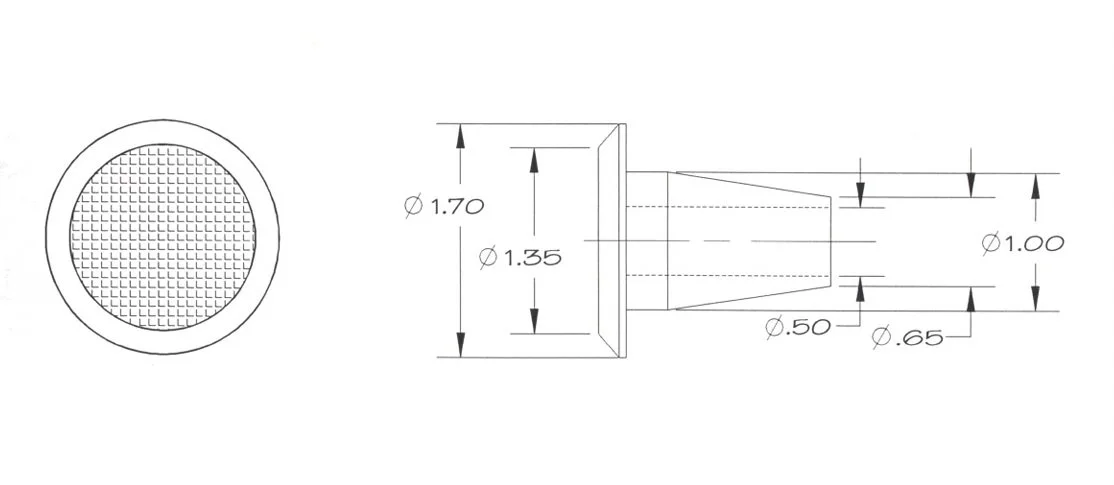
Description: Manhole cover plugs are used to cover access holes in manhole covers. These plugs eliminate the possibility of items getting stuck in the access holes.

Material: Plugs are made of high-density polyethylene compounded with UV stabilizer and black color.

Application: The plugs should be used wherever pedestrian traffic must cross a manhole cover. To install the plug, insert and push until the flange is flush with the manhole cover. To remove, use a large hammer and punch to drive the plug through the access hole.